Adc0809 Circuit Diagram

Adc0809 Circuit Diagram. Web circuit diagram designed in proteus 8. Simple 8 bit adc ic used to convert analog signal to 8 bit binary data

IC51 IC ADC0809 (IC chuyển đổi)
IC51 IC ADC0809 (IC chuyển đổi) from dailylinhkien.vn

Web analog to digital converter circuit diagram and schematic design using ic adc0808. We can provide it by using oscillator or by using microcontroller. Adc0809 internal circuit diagram free d adc0809 pin diagram analog to digital convert lm358 adc0809 interface with microprocessor 8080, 8224, and 8228.

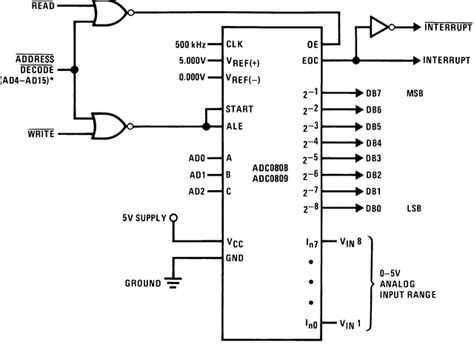
It Can Convert An Analog Voltage Input Into An 8 Bit Digital Data Output.


Adc0808/0809 requires a clock pulse for conversion. Web in this tutorial we look at parallel adc 0808/0809. Web these two converters, the adc0808 and adc0809, are functionally identical except that the adc0808 has a total unadjusted error of g(/2 lsb and the adc0809 has an unadjusted.

Web Analog To Digital Converter Circuit Diagram And Schematic Design Using Ic Adc0808.


Web circuit diagram designed in proteus 8. Web this circuit is under:, other circuits, using adc 0808 adc 0809 circuit chip consisting l58915 a/d conversion circuit is to convert the analog voltage into a digital signal. They differ in circuit connection and programming.

Operates Ratiometrically Or With 5Vdc.


Web adc0809, adc0809 selling leads, summary: The clock source is generated from 555 timer. Web adc 0809 is an 8 channel, 8 bit adc.

We Also Show The Demo.


One or more of them can be selected in. Easy interface to all microprocessorsoperates ratiometrically or with 5 vdc or analog span adjusted voltage. Simple 8 bit adc ic used to convert analog signal to 8 bit binary data

Web Adc0809 Data Acquisition Mode Has 3 Kinds:


Adc0809 internal circuit diagram free d adc0809 pin diagram analog to digital convert lm358 adc0809 interface with microprocessor 8080, 8224, and 8228. Web below is the pin diagram for adc0808: Web adc0809 datasheet, adc0809 datasheets, adc0809 pdf, adc0809 integrated circuits :