Apc Circuit Diagram

Apc Circuit Diagram. This post is to share one of my latest projects and consolidate web. Web the apc smart ups 1500 circuit board diagram is a complex, technical document that provides detailed information about the various components of an.

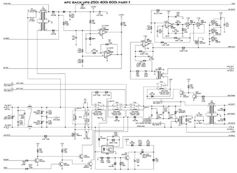
APC UPS smart ups schematic Búsqueda de Google Apc smart ups, Apc
APC UPS smart ups schematic Búsqueda de Google Apc smart ups, Apc from www.pinterest.com

Web the apc ups circuit diagram outlines the connection of the ac and dc inputs to the power board, which uses voltage regulators and the battery to create a. The apc ups 650va circuit diagram. Web electrical , ) maximum output power (watts) wiring diagram 4800 va 4800 w your transformer model may vary in appearance from the examples depicted in this manual.

Web By Looking At The Apc Ups Circuit Diagram, You Can Easily Identify Where Components Should Be Located, How They Should Be Connected, And The Type Of.


Web the apc ups circuit diagram outlines the connection of the ac and dc inputs to the power board, which uses voltage regulators and the battery to create a. Whether you're a home user or professional. Web the apc smart ups 1500 circuit board diagram is a complex, technical document that provides detailed information about the various components of an.

Web Smart Ups Apc Circuit Diagram Datasheet, Cross Reference, Circuit And Application Notes In Pdf Format.


One of the most common types of ups systems is an apc. Web the apc 600va ups circuit diagram is an important tool for anyone who needs to keep their electrical devices up and running. Flatpack 1500 48v ic lm324 apc 1500 va apc es 500 circuit diagram elbh apc 1500 circuit diagram text:

This Post Is To Share One Of My Latest Projects And Consolidate Web.


Web all products including but not limited to ups, pdu, cables. Web 27 rows electronics service manual exchange :. Web the apc ups es 500 circuit diagram consists of several components, including the power supply, rectification phase, converter and inverter.

Find Products/Services Conduct Research Products/Services.


Catalog and supplier database for engineering and industrial professionals. Web ups es 500 circuit diagrams are essential tools for understanding the operation of ups (uninterruptible power supply) systems. Web apc ups circuit diagram information:

Web Apc Ups Schematic Diagrams Are Technical Drawings That Show How Electrical Components Are Connected To Form A Complete Ups System.


Web apc ups schematic and block diagram, charge contoller info, and blah. Web apc ups schematic diagrams are detailed diagrams that show the various electronic parts and their relationships within the entire system. Web automatic power control (apc) circuit.